Термометры сопротивления используются для работы с жидкими, твердыми и газообразными средами. Использование термометров сопротивления допускается для контроля сыпучих сред, неагрессивных, а также агрессивных, по отношению к которым материалы, контактирующие с измеряемой средой, являются коррозионностойкими к материалу, из которого изготовлен корпус прибора.
Термометры сопротивления используются для работы с жидкими, твердыми и газообразными средами. Использование термометров сопротивления допускается для контроля сыпучих сред, неагрессивных, а также агрессивных, по отношению к которым материалы, контактирующие с измеряемой средой, являются коррозионностойкими к материалу, из которого изготовлен корпус прибора.
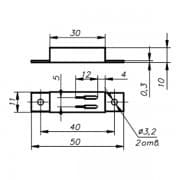
ТПТ-8-1, ТМТ-8-1 предназначены для измерения температуры поверхности твердых тел. Чувствительный элемент помещен в каркас из стали 12Х18Н10Т и залит эпоксидной смолой. ТПТ-8-1А, ТМТ-8-1А может быть использован для измерения комнатных температур. ТПТ-8-2, ТМТ-8-2 предназначены для контроля температуры обмоток электрических машин. Чувствительный элемент намотан на плоский текстолитовый каркас и покрыт органическим лаком КО-85 или эпоксидной смолой.
Термометры сопротивления используются для работы с жидкими, твердыми и газообразными средами. Использование термометров сопротивления допускается для контроля сыпучих сред, неагрессивных, а также агрессивных, по отношению к которым материалы, контактирующие с измеряемой средой, являются коррозионностойкими к материалу, из которого изготовлен корпус прибора.
Термометры сопротивления используются для работы с жидкими, твердыми и газообразными средами. Использование термометров сопротивления допускается для контроля сыпучих сред, неагрессивных, а также агрессивных, по отношению к которым материалы, контактирующие с измеряемой средой, являются коррозионностойкими к материалу, из которого изготовлен корпус прибора.
Термометры сопротивления используются для работы с жидкими, твердыми и газообразными средами. Использование термометров сопротивления допускается для контроля сыпучих сред, неагрессивных, а также агрессивных, по отношению к которым материалы, контактирующие с измеряемой средой, являются коррозионностойкими к материалу, из которого изготовлен корпус прибора.
Термометры сопротивления используются для работы с жидкими, твердыми и газообразными средами. Использование термометров сопротивления допускается для контроля сыпучих сред, неагрессивных, а также агрессивных, по отношению к которым материалы, контактирующие с измеряемой средой, являются коррозионностойкими к материалу, из которого изготовлен корпус прибора.
Для измерения температуры жидких, газообразных сред и твердых тел, не разрушающих защитную арматуру.
Для измерения температуры жидких и газообразных сред, в которых может содержаться аммиак, азотоводородная смесь, углекислый газ и его компоненты, а так же агрессивные примеси сероводорода и сернистого ангидрида в допустимых пределах по ГОСТ 12 1 005.
Для измерения температуры жидких, газообразных сред и твердых тел, не разрушающих защитную арматуру. Для измерения температуры воздуха в помещениях различного назначения.
Для измерения температуры жидких и газообразных сред во взрывоопасных зонах, в которых может содержаться аммиак, азотоводородная смесь, углекислый газ и его компоненты, а так же агрессивные примеси сероводорода и сернистого ангидрида в допустимых пределах по ГОСТ 12.1.005.
Для измерения температуры в сухих и влажных средах, пищевых, промышленных и сельскохозяйственных продуктах при малых механических воздействиях на датчик, в том числе для измерения температуры батонов колбас.
Для измерения температуры дистиллята, бидистиллята, пресной и морской воды, пара, конденсата, фреона, кислорода, водорода, гелиокислородных и гелиоазотнокислых смесей, углекислого газа, растворов карбоната и бикарбоната.
Для измерения температуры котловой и пресной воды, дистиллята, бидистиллята, воздуха, аналита, масла, топлива, пара, конденсата, газа, электролита (водный раствор щелочи), углекислого газа, водного раствора карбоната, водорода, морской воды.
Для измерения температуры жидких и газообразных сред. Термометры могут применяться для измерения температуры движущихся сред при предельных скоростях потока (таблица), при этом может использоваться защитная гильза ДДШ 4 819 015.
Для измерения температуры воздушной среды при атмосферном давлении в глубинных шахтах, карманах, колодцах, в частности, в автоклавах по выращиванию кристаллов.