Термопреобразователи сопротивления ТСП 9506, ТСМ 9506
Обзор
Зарегистрированы в Государственном реестре средств измерений под № 50071-12. Сертификат об утверждении типа средств измерений RU.C.32.004.A № 46757
Cертифицированы в Респ. Казахстан № KZ.02.03.05314-2013/50071-12
Cертифицированы в Республике Беларусь № РБ 03 10 5247 13Назначение
Для измерения температуры дистиллята, бидистиллята, пресной и морской воды, пара, конденсата, фреона, кислорода, водорода, гелиокислородных и гелиоазотнокислых смесей, углекислого газа, растворов карбоната и бикарбоната.
Особенности
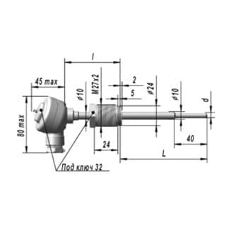
Крепление с помощью штуцера М27х2.
Схемы соединений

Схема 2 Схема 3 Схема 2/2Пример записи при заказе
«ТСП 9506 .158-02 ТУ 4211-093-02566540-2011»
Рис. 1. Материал головки нержавеющая сталь

Рис. 2 (остальное см. рис. 1)

Рис. 3 (остальное см. рис. 1)

Рис. 4 (остальное см. рис. 1)

Рис. 5 (остальное см. рис. 1)

Рис. 6 (остальное см. рис. 1)

Рис. 7 (остальное см. рис. 1)

Рис. 8. Штуцер подвижный

Характеристики
Параметр Значение ТСП 9506 ТСМ 9506 Диапазон измеряемых температур, °C -200...+500 * -50..+ 150 Номинальная статическая характеристика 50П; 100П; 2х50П 50М Класс допуска В С Время термической реакции, с 6; 16 20 Степень защиты от пыли и воды IP54 Материал защитной арматуры 08Х18Н10Т, 12Х18Н10Т* Номинальное значение a, °C-1; 0,00391 0,00428 Диапазон условных давлений, МПа 6,3; 16; 25; Устойчивость к вибрации F3 Вид климатического исполнения В1 Масса, кг, не более 0,4.1,0 0,38.0,58 Средняя наработка до отказа, ч, не менее 70000 Вероятность безотказной работы за 5000 ч 0,99 Срок службы 15 лет * см. таблицы конструктивных исполнений Файлы
- Документация Таблицы конструктивных исполнений
Если Вас интересует цена на Термопреобразователи сопротивления ТСП 9506, ТСМ 9506 Вы можете позвонить по тел.
- Категории: Термометры сопротивления | Датчики и термопреобразователи
