Термометры технические ТПТ-8, TMT-8
Обзор
Термометры из платины технические ТПТ-8
ТУ 4211-030-17113168-98
Госреестр №39144-08Термометры из меди технические ТМТ-8
ТУ 4211-880-17113168-98
Госреестр №40416-09Назначение
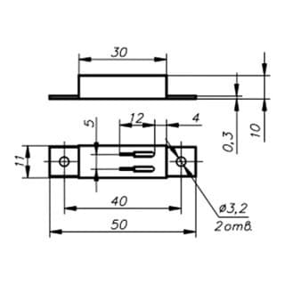
ТПТ-8-1, ТМТ-8-1 предназначены для измерения температуры поверхности твердых тел. Чувствительный элемент помещен в каркас из стали 12Х18Н10Т и залит эпоксидной смолой. ТПТ-8-1А, ТМТ-8-1А может быть использован для измерения комнатных температур. ТПТ-8-2, ТМТ-8-2 предназначены для контроля температуры обмоток электрических машин. Чувствительный элемент намотан на плоский текстолитовый каркас и покрыт органическим лаком КО-85 или эпоксидной смолой.
Характеристики
Тип и вид исполнения Материал Степень защиты
от пыли и влагиВремя термической реакции [сек] Условное давление [Мпа] Защитная арматура Головка ТПТ-8-1 12Х18Н10Т - IP50 30 - ТМТ-8-1 ТПТ-8-1А 12Х18Н10Т кабель МГТФЭ, МГТФЭФ IP50 30 - ТМТ-8-1А ТПТ-8-2 термоусадочная трубка кабель МГТФЭ IP50 10 - Базовые варианты исполнения ТПТ-8
Тип и вид исполнения НСХ Класс Диапазон температур, [°С] Схема соединения, № Диаметр монтажной части d, [мм] Длина монтажной части L, [мм] ТПТ-8-1 50П, 100П, 500П, Pt100, Pt500 В, С от -50 до 150 2 - - ТПТ-8-1А 50П, 100П, 500П, Pt100, Pt500 В, С от -50 до 150 2, 3, 4 - - ТПТ-8-2 Pt100, Pt500 В, С от -50 до 85 2, 3, 4 - - Базовые варианты исполнения ТМТ-8
Тип и вид исполнения НСХ Класс Диапазон температур, [°С] Схема соединения, № Диаметр монтажной части d, [мм] Длина монтажной части L, [мм] ТМТ-8-1 50М, 100М В, С от -50 до 150 2 - - Примечание
- масса термометров не более 0,01 кг;
- длина подводящего кабеля L, мм – 500, 1000, 1500;
- длина подводящего кабеля может быть изменена по требованию Заказчика.
Комплектация
Примеры записи при заказе

Если Вас интересует цена на Термометры технические ТПТ-8, TMT-8 Вы можете позвонить по тел.
- Категории: Термометры сопротивления | Датчики и термопреобразователи



